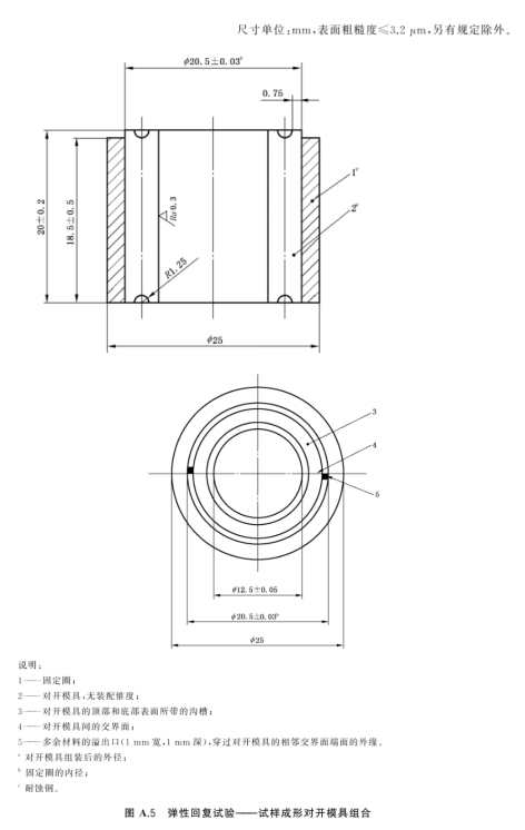
带固定圈的试样成形对开模具
执行标准:
YY1027-2018中图A.5
技术参数:
材质:耐腐蚀刚

配置清单
模具一套,合格证一份,铭牌一份。
带固定圈的试样成形对开模具
执行标准:
YY1027-2018中图A.5
技术参数:
材质:耐腐蚀刚

配置清单
模具一套,合格证一份,铭牌一份。
带固定圈的试样成形对开模具
执行标准:
YY1027-2018中图A.5
技术参数:
材质:耐腐蚀刚

配置清单
模具一套,合格证一份,铭牌一份。

带固定圈的试样成形对开模具
执行标准:
YY1027-2018中图A.5
技术参数:
材质:耐腐蚀刚

配置清单
模具一套,合格证一份,铭牌一份。
带固定圈的试样成形对开模具
执行标准:
YY1027-2018中图A.5
技术参数:
材质:耐腐蚀刚

配置清单
模具一套,合格证一份,铭牌一份。
带固定圈的试样成形对开模具
执行标准:
YY1027-2018中图A.5
技术参数:
材质:耐腐蚀刚

配置清单
模具一套,合格证一份,铭牌一份。

联系QQ:692427669
联系邮箱:692427669@qq.com
传真:
联系地址:洞厍路603号
扫一扫 微信咨询
©2026 上海诚卫仪器科技有限公司 版权所有 备案号:沪ICP备19047090号-11 技术支持:制药网 sitemap.xml 总访问量:300440 管理登陆